各種電磁石
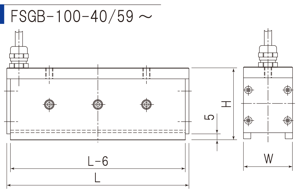
馬蹄型電磁石 FSGB
- サイズが豊富で、多種多様なワークに対応できます。
- 連続使用が可能です。
- 吸着面をV形形状に変更(※特注対応)することで、 丸棒材など安定した吸着が可能です。
- 特注製作も可能です。
製品仕様

注意事項
最大吸着力は、材質SS400板厚10mm 研削仕上面のプレートで吸着面全面吸着での最大値です。
Various-Electromagnet

最大吸着力は、材質SS400板厚10mm 研削仕上面のプレートで吸着面全面吸着での最大値です。